Há alguns anos, desenvolvi, junto do pesquisador Alexandre Gomes Umeda, e com a posterior ajuda de pesquisadores de UFABC, um papel feito exclusivamente de algas filamentosas de água doce. A seguir, relato as técnicas e algumas descobertas feitas.
O papel feito com essas algas apresenta inúmeras vantagens ecológicas e econômicas em relação ao papel tradicional feito de celulose de madeira.
As algas do gênero Oedogonium podem ser usadas para a fabricação de papel verde sustentável.
Trata o presente estudo do uso de algas filamentosas como fonte de celulose para a produção de papel. As vantagens econômicas e ecológicas apresentadas por este processo, tais como corte de etapas industriais requeridas pelo processo convencional, redução drástica do consumo de energia elétrica e combustível e diminuição da área de cultivo, justificariam seu interesse. A redução do custo do produto final, decorrente do corte de operações necessárias para a produção de papel a partir de celulose de madeira, tornam as algas filamentosas uma matéria-prima de grande valor para as indústrias de papel.
INTRODUÇÃO
Atualmente, a maior parte da celulose usada para a produção de papel é obtida da madeira do eucalipto (Gênero Eucalyptus, família das Mirtáceas), planta originária da Austrália. Outras espécies de árvores também são utilizadas em menor escala para a obtenção de celulose. São elas o Pinus, Araucaria e Gmelina. A pasta de celulose de fibras de eucalipto foi produzida pela primeira vez pela Cia. Suzano de Papel e Celulose, em 1956, no Brasil. Um hectare (10.000 m2) de floresta de eucalipto produz mais de 50 m3 de madeira por ano, que é coletada 7 anos após o plantio.
Os objetivos deste estudo são: mostrar a aplicabilidade de algas filamentosas para a produção de papel, em substituição à celulose de madeira convencionalmente usada; avaliar os aspectos econômicos do uso de algas filamentosas como fonte de celulose, comparados aos do uso da madeira; avaliar a redução do uso de energia no processo industrial, investimento de produção e custo do produto; avaliar o impacto ambiental da obtenção de papel a partir de algas filamentosas quando comparado ao extrativismo florestal.
MÉTODOS
Foi utilizada para a produção de polpa de celulose a alga da família Oedogonium procedente de um lago ornamental localizado na cidade de Ribeirão Pires, SP. Trata-se a Oedogonium de uma alga verde da divisão Chlorophyta, classe Clorophyceae, ordem Oedogoniales. É uma alga de água doce, de organização filamentosa, não ramificada, unisseriada, comum em tanques de criação de peixes ou lagos. Apresenta crescimento rápido, sendo a reprodução vegetativa feita por zoósporos, e a reprodução sexuada é oogâmica. As membranas das células são freqüentemente impregnadas externamente com quitina, tornando as células adultas perfeitamente rígidas (Joly, 1991). Não possuindo tecido lenhoso, estas algas filamentosas não apresentam lignina em sua estrutura celular, o que é uma vantagem sobre a madeira, uma vez que a lignina é uma substância que interfere negativamente na qualidade do papel. Outras espécies de algas filamentosas poderiam igualmente ser estudadas para a obtenção da pasta de celulose.
A alga foi coletada em quantidade suficiente para a preparação de uma amostra de folha de papel, sendo posteriormente lavada em água limpa. A seguir, o comprimento das fibras foi reduzido com o auxílio de um liquidificador, em velocidade média por um minuto, e em presença de água.
O passo seguinte foi o escoamento da água utilizada para o corte das fibras, o que foi feito utilizando-se uma tela de nylon com abertura suficiente para permitir apenas a passagem da água.
A polpa passou então para um recipiente contendo uma solução de hipoclorito de sódio 0,1% e hidróxido de sódio em quantidade suficiente para ajustar o pH da solução para 11. Nesta mistura, a polpa permaneceu até seu completo branqueamento, o que ocorreu e, torno de vinte minutos. Após este período, a polpa foi escorrida em tela de nylon e posteriormente imersa em água limpa, sendo este procedimento necessário para a retirada dos resíduos químicos da solução branqueadora. Foram feitas três lavagens semelhantes de duração de dez minutos cada.
Devidamente lavada, a polpa foi dispersada sobre a tela de nylon de tal maneira a formar um filme que, prensado e seco, deu origem a uma folha de papel, sem a necessidade de qualquer material colante interno.
Uma amostra deste papel foi rasgada, e o corte foi analisado por microscopia, utilizando-se para tanto um microscópio Olympus BX 50, Japão, acoplado a uma câmara de vídeo CMA-D2, SONY, e sistema de análise de imagem computadorizada Image ProPlus em um computador AT-486 versão Windows 95/NT, 1993/97. As imagens foram obtidas com objetiva de 10 X. Para fins de comparação, o mesmo procedimento foi feito com uma amostra de papel sulfite de gramatura igual a 75 g/m.
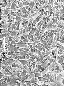
Também foi feita microscopia eletrônica de varredura (MEV) da amostra de papel para análise da disposição das fibras de algas filamentosas no produto final
- Algas filamentosas de água doce do gênero Oedogonium.
- Polpa de algas filamentosas do gênero Oedogonium, homogeneizadas e sem qualquer tratamento químico.
- Polpa de algas filamentosas tratada com solução de hipoclorito para descoloração.
- Polpa branqueada úmida de algas filamentosas.
- Papel de algas filamentosas.
- Microscopia eletrônica de varredura (MEV) na amostra de papel feita com algas filamentosas.
- Microscopia eletrônica de varredura (MEV) na amostra de papel feita com algas filamentosas.
- Microscopia eletrônica de varredura (MEV) na amostra de papel feita com algas filamentosas.
RESULTADOS E DISCUSSÃO
O uso de algas filamentosas para a produção de polpa de celulose e papel resultou em uma massa que deu origem a uma folha alva e consistente sem a necessidade do emprego de pigmentos ou agentes colantes. A amostra não sofreu variação considerável de coloração durante este estudo, e a sua consistência manteve-se a mesma, ou seja, não houve destruição da amostra por separação das fibras.
O papel assim obtido tem a mesma maleabilidade ao toque do papel feito com celulose de madeira. As suas características gerais são semelhantes às do papel convencional, apesar de a amostra não ter sido submetida a qualquer ensaio utilizado para a análise do papel comum. Uma amostra do papel assim obtido foi analisada em microscópio para avaliar a disposição das fibras em relação às fibras de papel convencional, e o resultado mostrou uma grande semelhança entre as amostras.
Com relação ao processo de obtenção da polpa, algumas vantagens do papel feito com algas filamentosas podem ser avaliadas.
A alga Oedogonium, devido a sua característica filamentosa natural, não depende, em princípio, de nenhum processamento mecânico para que seja obtida uma espécie de pasta fibrosa, a qual, por simples formação da folha, prensagem e secagem, resulta em uma folha fina e flexível de papel. Isto representa uma grande vantagem em relação à celulose obtida de madeira de eucalipto ou de outras árvores, uma vez que as toras das árvores passam por vários processos mecânicos e químicos, que demandam tempo e energia, até a obtenção da pasta de celulose. Além disto, toda a alga pode ser aproveitada, obtendo-se rendimento do uso de matéria-prima próximo de 100%, enquanto que o rendimento de pastas mecânicas de celulose de madeira é de cerca de 96 a 97%, e das pastas químicas está entre 40 e 50%.
Tendo um crescimento acelerado, as algas podem fornecer uma boa quantidade de matéria-prima o ano todo, podendo ser criadas em vários tanques de dimensões apropriadas para os fins industriais. Além disto, essas algas são facilmente renováveis, não produzem toxinas como outras espécies de algas e fornecem ao produto final as características desejadas.
O estudo da genética das algas filamentosas e o seu melhoramento também representam vantagens sobre o cultivo de árvores. As alterações genéticas feitas em eucalipto, por exemplo, apenas se traduzem em benefício ou apresentam resultado vários anos após a fase de laboratório. Isto devido ao longo ciclo de vida de uma árvore. Em algas, ao contrário, além da fácil manipulação, o ciclo de vida acelerado permite a verificação e o aproveitamento do resultado de melhoramentos genéticos em poucos meses.
Sendo uma alga verde, a Oedogonium possui clorofila, a qual pode ser destruída por tratamento com solução de hipoclorito ou qualquer outra solução a base de cloro ativo, o que seria o processo de branqueamento. No entanto, o hipoclorito reage com a celulose podendo originar produtos contendo grupos oxidados ácidos (carboxilas) ou redutores (aldeídos ou cetonas). O efeito do pH sobre a reação do hipoclorito com a celulose é a variável de maior importância, devendo estar entre 10 e 11 para que o resultado seja satisfatório. O hipoclorito reage com a pasta de celulose resultando em ácidos orgânicos que causam a queda do pH, o que aumenta a concentração de ácido hipocloroso, o qual degrada a celulose. A maior alvura e estabilidade da pasta pode ser obtida por tratamento com hipoclorito se o pH for controlado em valores próximos de 11. O uso de dióxido de cloro ao invés de hipoclorito é recomendado pelo fato de esta substância não afetar a celulose.
Uma vez que a produção de papel a partir de algas filamentosas elimina uma série de passos requeridos no processo convencional, que usa a madeira como matéria-prima, é possível prever que o consumo específico global de energia seja diminuído.
Muitas destas operações estão ligadas à eliminação da lignina, separação ou redução dos cavacos em fibras e tratamento dos licores químicos. Portanto, sendo processos desnecessários para a obtenção de papel a partir de algas filamentosas, uma vez que elas já se encontram em estado fibroso natural, as mesmas podem ser descartadas.
O uso de algas filamentosas prevê apenas duas etapas durante a polpação: diminuição do comprimento das fibras e branqueamento. A primeira pode ser feita em uma máquina do tipo liqüidificador, sem necessidade de adição de produtos químicos ou aquecimento, além de ser uma operação rápida porque os filamentos de alga são cortados facilmente; já o branqueamento pode ser feito por meio de substâncias que destruam a clorofila, em temperatura ambiente, sem gastos energéticos para o aquecimento das soluções.
Quanto à produção de papel, o consumo específico de energia a ela relacionada não deve ser alterado, uma vez que a pasta obtida de algas filamentosas deve passar pelas mesmas operações pelas quais passam as pastas convencionais até a obtenção da folha e seu acabamento.
Além disto, a ausência de determinados passos na produção de papel a partir de algas filamentosas resulta em outras formas de economia, como: requerimento de menor quantidade de substâncias químicas. Enquanto a celulose obtida da madeira utiliza vários tipos de substâncias nas operações de cozimento e branqueamento, a pasta de algas filamentosas depende apenas de substâncias para o branqueamento, e ainda assim em menor quantidade porque não possui lignina. Como a massa obtida de algas apresenta maior alvura do que a obtida de madeira após os processos de branqueamento, também há requerimento de menor quantidade de pigmentos e corantes para a obtenção de um produto final de boa qualidade.
O comprimento dos filamentos de alga pode variar de acordo com a sua idade, podendo estar entre alguns milímetros até centímetros. No entanto, para a produção de papel à partir de fibras de madeira, a classificação do comprimento das fibras é o seguinte: fibras longas apresentam comprimento médio de 2 a 5 mm, enquanto que fibras curtas variam de 0,5 a 1,5 mm.
Estando o comprimento das fibras de algas filamentosas fora destes parâmetros, talvez seja necessária a introdução de uma etapa no processo de obtenção da pasta, o qual reduza o comprimento das fibras por corte, tal como é feito em um liqüidificador. O tanque desagregador, normalmente utilizado para uniformizar a pasta de celulose de madeira, talvez possa ser empregado neste processo, obtendo-se fibras de algas dentro das especificações. Além disto, novos parâmetros podem ser desenvolvidos, com fibras mais longas do que as obtidas com celulose de madeira.
Sabe-se que o comprimento das fibras está relacionado à resistência mecânica do papel, e o uso de fibras de algas filamentosas com comprimentos maiores pode proporcionar papéis mais resistentes, o que é uma qualidade interessante para papéis de embalagens.
Outro ponto onde pode haver redução de gastos é o referente ao maquinário envolvido no processo de polpação. As máquinas usadas para o descascamento, picagem ou trituração da madeira, além do próprio custo de sua obtenção, dependem de manutenção e troca das lâminas que sofrem desgaste. Os reatores de cozimento dos cavacos são passíveis de sofrer desgaste e corrosão devido às substâncias empregadas na operação, variações de pH, temperatura e pressão.
Quanto ao impacto ambiental desta nova tecnologia, podem ser citados alguns benefícios em relação ao processo convencional que usa celulose de madeira.
Um deles é a possibilidade de diminuição da área de cultivo necessária para a obtenção de uma certa quantidade de material celulósico. As algas apresentam crescimento rápido, do que resulta a possibilidade de áreas reduzidas, com concomitante preservação de matas nativas, as quais geralmente são eliminadas para o plantio de florestas de eucalipto.
O maior avanço ecológico da nova técnica, entretanto, é a eliminação da necessidade de destruição da lignina. Esta é provavelmente a operação mais poluente de uma industria de papel, porque faz uso de diferentes substâncias químicas empregadas no cozimento dos cavacos. Os líquidos resultantes deste processo são carregados de poluentes e necessitam de etapas custosas para a recuperação das substâncias ou tratamento da água. Além disto, há a poluição atmosférica pela emissão de gases sulfurados durante as etapas de cozimento. Não dependendo de qualquer processo químico para a obtenção das fibras durante a fase de polpação, as algas filamentosas se apresentam como uma matéria-prima menos poluente. O seu branqueamento requer uma menor quantidade e qualidade de produtos químicos, portanto gera, ao final do processo industrial, uma água mais facilmente tratável.
Estas vantagens econômicas e ecológicas que o uso de algas filamentosas apresenta, se mantém mesmo se consideradas outras matérias-primas menos utilizadas para a produção de papel, como o bambu, o sisal, a palha de linhaça, o bagaço de cana e outros, todos dependentes de processos químicos ou semiquímicos para a separação das fibras, portanto custosos e poluentes.
REFERÊNCIAS BIBLIOGRÁFICAS
JOLY, A.B. Botânica: Introdução à Taxonomia Vegetal. 10. Ed. São Paulo: Editora Nacional, 1991. 777 p.
Celulose e Papel, Tecnologia de Fabricação da Pasta Celulósica, vol. I, 492 pg., IPT, São Paulo, 1981.
Tecnologia da Fabricação do Papel, vol. II. Coordenação: Maria Luiza Otero D’Almeida, IPT, 390 pg., São Paulo, 1982.










